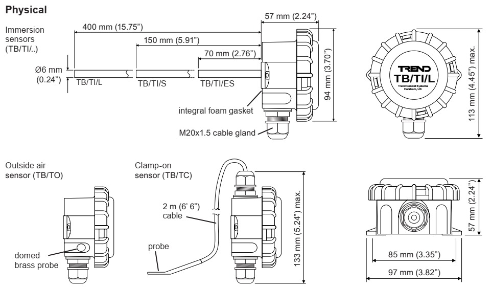
Trend TB/TI/S Duct Sensor TB/TI-S

Honeywell
$28500

Specifications:

  • Low cost: %
  • High quality thermistors: °C/°F
  • Brass probes: 100%
  • Conduit entry: M20
  • Cable gland: M20
  • Housing: IP67
Fast delivery
30-day return policy
1-year warranty

Product Description

TB/TC, /TI, /TO Thermistor Temperature Sensors.